Перейти к публикации

Рекомендованные сообщения

  • Откуда: Минск
  • Машина: TLC 80 1HZ(уже hdt) МКПП 1997, Golf 4 1.9 tdi 4motion
4 минуты назад, Arapov I сказал:

А главный и рабочие цилиндрики точно  рабочие ,не перепускают?

Мне пришлось главный менять.Рем .коплет не помог.

Да вроде не пропускают..я так понимаю ,что если бы пперепускали то у меня был бы недовижим сцепления..так?

Поделиться сообщением


Ссылка на сообщение
Поделиться на других сайтах
  • Откуда: От Самары 100км
  • Машина: TLC-100vx 1HDfTE акпп 5ст-Конь вороной.Два бака.Рав 4,21г/в

педаль.PNG

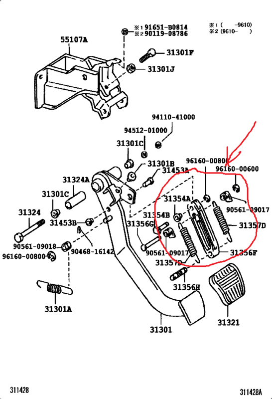
На знаю как там на 80,но на 100  из-за выработки поменял деталь с позицией 31356F

На знаю как там на 80,но на 100  из-за выработки поменял деталь с позицией 31356F.Она из пластика

Поделиться сообщением


Ссылка на сообщение
Поделиться на других сайтах
  • Откуда: Минск
  • Машина: TLC 80 1HZ(уже hdt) МКПП 1997, Golf 4 1.9 tdi 4motion
12 минут назад, Arapov I сказал:

 

На знаю как там на 80,но на 100  из-за выработки поменял деталь с позицией 31356F.Она из пластика

А что там выработалось?я думал только пружины играют основную роль.1251397595_.thumb.png.c6e3fa5be5db17aeb7e49ebd55ddafda.png

Поделиться сообщением


Ссылка на сообщение
Поделиться на других сайтах
  • Откуда: От Самары 100км
  • Машина: TLC-100vx 1HDfTE акпп 5ст-Конь вороной.Два бака.Рав 4,21г/в

А ты внимательно посмотри на педальный узел.

Поделиться сообщением


Ссылка на сообщение
Поделиться на других сайтах
  • Откуда: Минск
  • Машина: TLC 80 1HZ(уже hdt) МКПП 1997, Golf 4 1.9 tdi 4motion
5 минут назад, Arapov I сказал:

А ты внимательно посмотри на педальный узел.

А симптомы были какие при выработке этой деталюшки пластиковой?

Поделиться сообщением


Ссылка на сообщение
Поделиться на других сайтах
  • Откуда: Пенза
  • Машина: Toyota Land Cruiser 100, 2006, 1HD-FTE, механика

Поменял сцепление на пробеге 350 т.км. Поставил комплект Aisin (диск, корзина, выжимной) + подшипник, проточил маховик. Сцепление стало недовыключаться. Есть определенные трудности воткнуть 1 передачу. Когда переключаешься чувствуется что сцепление до конца не расцепилось. Проревизировал педальный узел -  все в порядке, ни лифтов, ни зазоров, выставил зазор на штоке главного цилиндра сцепления, перебрал гидропривод сцепления,...никаких изменений. Вроде бы приспособился к переключениям, но все равно не приятно. Из подозреваемых - вилка сцепления. И еще появился какой то дребезг...., жаловался я уже по этому поводу.

Времени особо нет повыряться с машиной, пока наблюдаю что первым сломается - машина или нервы :)

Поделиться сообщением


Ссылка на сообщение
Поделиться на других сайтах
  • Откуда: Ярославль
  • Машина: TЛК 80: 1HD-T, МКПП, 35"
4 часа назад, Bratt сказал:

Хорошо,спасибо,попробую.А в самой педали может быть дело?если да,то куда смотреть?крепление штока ГЦС,пружинки или что еще?

Гораздо быстрее снять ГЦС и понажимать педаль. Если ГЦС и РЦС никогда не обслуживались - самое время это сделать.

Поделиться сообщением


Ссылка на сообщение
Поделиться на других сайтах
  • Откуда: Минск
  • Машина: TLC 80 1HZ(уже hdt) МКПП 1997, Golf 4 1.9 tdi 4motion
14 минут назад, WAR сказал:

Гораздо быстрее снять ГЦС и понажимать педаль. Если ГЦС и РЦС никогда не обслуживались - самое время это сделать.

Спасибо за советы,так и сделаю на выходных.

Поделиться сообщением


Ссылка на сообщение
Поделиться на других сайтах
  • Откуда: Россия
  • Машина: Китайский Прадо
В 14.04.2016 в 14:37, Camel сказал:

у меня сцепление берёт при полностью утопленной педали, ну очень не удобно, может кто подскажет как отрегулировать что бы в середине было. с уважением.

 

 На многих машинах у меня это дело решалось просто . Хозяева после замены сцепления тормозной жидкости не жалели , а значит не следили за уровнем в бачке . А зря . Дело в том , что система тормозов и сцепления - герметична , а что бы жидкости двигаться по гл.цилиндрам (бачок один) , требуется запас воздуха . Вот его и обеспечивает воздушный карман после отметки  "МАХ" .   

   Делал норму и через несколько километров первая стала лучше включаться , а затем и тормоза лучше , накат конечно лучше . 

  Шток на педали регулировали ? 

   

В 16.04.2019 в 15:37, Bratt сказал:

Да вроде не пропускают..я так понимаю ,что если бы пперепускали то у меня был бы недовижим сцепления..так?

Дело в том , что система тормозов и сцепления - герметична , а что бы жидкости двигаться по гл.цилиндрам (бачок один) , требуется запас воздуха . Вот его и обеспечивает воздушный карман после отметки  "МАХ"

 Попробуйте без крышки покататься .

Изменено пользователем де-факто

Поделиться сообщением


Ссылка на сообщение
Поделиться на других сайтах
  • Откуда: Минск
  • Машина: TLC 80 1HZ(уже hdt) МКПП 1997, Golf 4 1.9 tdi 4motion
3 часа назад, де-факто сказал:

 

 На многих машинах у меня это дело решалось просто . Хозяева после замены сцепления тормозной жидкости не жалели , а значит не следили за уровнем в бачке . А зря . Дело в том , что система тормозов и сцепления - герметична , а что бы жидкости двигаться по гл.цилиндрам (бачок один) , требуется запас воздуха . Вот его и обеспечивает воздушный карман после отметки  "МАХ" .   

   Делал норму и через несколько километров первая стала лучше включаться , а затем и тормоза лучше , накат конечно лучше . 

  Шток на педали регулировали ? 

   

Дело в том , что система тормозов и сцепления - герметична , а что бы жидкости двигаться по гл.цилиндрам (бачок один) , требуется запас воздуха . Вот его и обеспечивает воздушный карман после отметки  "МАХ"

 Попробуйте без крышки покатать

Сегодня поменял жижу чёрную в сцеплении и прокачал,педаль стала в норме и возвращается как надо,но в системе было и немного воздуха.но все везде сухо.так что буду наблюдать)

Поделиться сообщением


Ссылка на сообщение
Поделиться на других сайтах
  • Откуда: Earth
  • Машина: tlc80 1hd-ft

на бачке указано only DOT3, можно ли лить DOT4 ?

Поделиться сообщением


Ссылка на сообщение
Поделиться на других сайтах
  • Откуда: Earth
  • Машина: tlc80 1hd-ft

Какая высота от пола до педали должна быть?Тлк 80 1hdft рест. У меня около 15 см.По мануалу 173 мм,У меня ограничивающий болт,не ограничивает педаль.Она дальше физически не уходит.

Поделиться сообщением


Ссылка на сообщение
Поделиться на других сайтах
  • Откуда: Людиново
  • Машина: Королла, Ленд-Крузер 80

Сообщество , доброго . Случилась у меня эдакая засада . При выжиме сцепления шток на рабочем обратно не вернулся , но сцепление включено , стало быть вилка вышла из зацепления с выжимным . Из под пыльника штока рабочего цилиндра пошла жижа . Разбираться буду завтра . Хотелось бы услышать (прочесть) мнение гуру : что подходит к концу ? Вилка или само сцепление ? Первая пришедшая в голову мысль -- гнутая вилка , а подраскинув мозгами , подумалось и на износ корзины , а значит и диска .
Менялось ли когда-либо сцепление -- не знаю .

Поделиться сообщением


Ссылка на сообщение
Поделиться на других сайтах
  • Откуда: Краснодар
  • Машина: TLC80L std 1HZ MKПП
10 минут назад, Обычный сказал:

Сообщество , доброго . Случилась у меня эдакая засада . При выжиме сцепления шток на рабочем обратно не вернулся , но сцепление включено , стало быть вилка вышла из зацепления с выжимным . Из под пыльника штока рабочего цилиндра пошла жижа . Разбираться буду завтра . Хотелось бы услышать (прочесть) мнение гуру : что подходит к концу ? Вилка или само сцепление ? Первая пришедшая в голову мысль -- гнутая вилка , а подраскинув мозгами , подумалось и на износ корзины , а значит и диска .
Менялось ли когда-либо сцепление -- не знаю .

А по проще думать не получается?Если шток не вернулся и из под пыльника течет жидкость то сдохли резинки и поршень в рабочем цилиндре.

Купи ремкомплект и поменяй.

Изменено пользователем payc

Поделиться сообщением


Ссылка на сообщение
Поделиться на других сайтах
  • Откуда: Людиново
  • Машина: Королла, Ленд-Крузер 80
2 минуты назад, payc сказал:

А по проще думать не получается?Если шток не вернулся и из под пыльника течет жидкость то сдохли резинки и поршень в рабочем цилиндре.

Купи ремкомплект и поменяй.

 

2 минуты назад, payc сказал:

 

Это-то не самое страшное . Шток вышел на полную , а сцепа включена . Вот о чем мысли .

Поделиться сообщением


Ссылка на сообщение
Поделиться на других сайтах
  • Откуда: Краснодар
  • Машина: TLC80L std 1HZ MKПП
Только что, Обычный сказал:

 

Это-то не самое страшное . Шток вышел на полную , а сцепа включена . Вот о чем мысли .

Принудительно его верни обратно и по пробуй еше раз нажать .Если сломалась вилка то она за штоком обратно не вернется

Поделиться сообщением


Ссылка на сообщение
Поделиться на других сайтах
  • Откуда: Людиново
  • Машина: Королла, Ленд-Крузер 80
2 минуты назад, payc сказал:

Принудительно его верни обратно и по пробуй еше раз нажать .Если сломалась вилка то она за штоком обратно не вернется

В полевых условиях это не получилось . Завтра буду снимать .

Изменено пользователем Обычный

Поделиться сообщением


Ссылка на сообщение
Поделиться на других сайтах
  • Откуда: Краснодар
  • Машина: TLC80L std 1HZ MKПП
Только что, Обычный сказал:

В полевых условиях это не получилось . Завтра буду снимать .

Просто залезь под машину и попробуц шток обратно задавить или открути два болта что держат цилиндр и сразу будет понятно вилка это или цилиндр

Поделиться сообщением


Ссылка на сообщение
Поделиться на других сайтах
  • Откуда: Людиново
  • Машина: Королла, Ленд-Крузер 80
2 минуты назад, payc сказал:

Просто залезь под машину и попробуц шток обратно задавить или открути два болта что держат цилиндр и сразу будет понятно вилка это или цилиндр

Так и думаю завтра поступить . Еще думаю промыть систему и заменить жижу . Смущает то , что сцепление включено .

Изменено пользователем Обычный

Поделиться сообщением


Ссылка на сообщение
Поделиться на других сайтах
  • Откуда: Краснодар
  • Машина: TLC80L std 1HZ MKПП
Только что, Обычный сказал:

Так и думаю завтра поступить . Еще думаю промыть систему и заменить жижу .

Там в рабочем цилиндре внутри алюминиевыц поршень он стачивается и перекашивается внутри,бывает ступеньку набивает,может еще резинка внутри слезла или разбухла.

Поделиться сообщением


Ссылка на сообщение
Поделиться на других сайтах

Создайте аккаунт или войдите в него для комментирования

Вы должны быть пользователем, чтобы оставить комментарий

Создать аккаунт

Зарегистрируйтесь для получения аккаунта. Это просто!

Зарегистрировать аккаунт

Войти

Уже зарегистрированы? Войдите здесь.

Войти сейчас

  • Сейчас на странице   0 пользователей

    Нет пользователей, просматривающих эту страницу.


Change privacy settings
×

Важная информация

Чтобы сделать этот веб-сайт лучше, мы разместили cookies на вашем устройстве. Вы можете изменить свои настройки cookies, в противном случае мы будем считать, что вы согласны с этим.