Перейти к публикации

Рекомендованные сообщения

  • Откуда: Подольск
  • Машина: TLC80 1HZ 1996 г. STD +4" 35" Cooper discoverer a/t3
2 часа назад, Peak сказал:

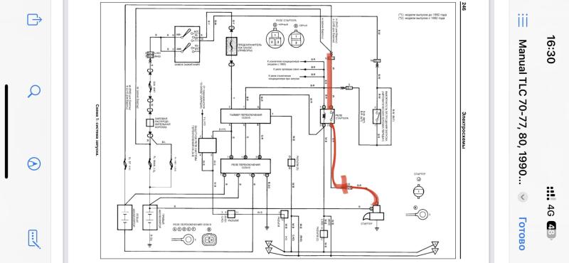
Интересно если этот провод до замка зажигания звонится то куда копать далее?

Зелёная линия справедлива только на первом отрезке от акб, дальше это твоя фантазия. 

Поделиться сообщением


Ссылка на сообщение
Поделиться на других сайтах
  • Откуда: Нижневартовск -----> Ленинград
  • Машина: Пешком
45 минут назад, Saimak сказал:

Зелёная линия справедлива только на первом отрезке от акб, дальше это твоя фантазия. 

Не понял)

По схеме ведь видно куда этот провод идет) понятно что там может быть все что угодно!

Изменено пользователем Peak

Поделиться сообщением


Ссылка на сообщение
Поделиться на других сайтах
  • Откуда: Подольск
  • Машина: TLC80 1HZ 1996 г. STD +4" 35" Cooper discoverer a/t3
3 минуты назад, Peak сказал:

По схеме ведь видно куда этот провод идет)

Где? Провод идёт от акб до первого блока и это действительно видно. А дальше ты где увидел? 

Поделиться сообщением


Ссылка на сообщение
Поделиться на других сайтах
  • Откуда: Нижневартовск -----> Ленинград
  • Машина: Пешком
1 час назад, Saimak сказал:

Где? Провод идёт от акб до первого блока и это действительно видно. А дальше ты где увидел? 

Вообщем я тупанул по схеме)) проблема скорей всего вот здесь нет питания!!

В ближайшее время проверю еще раз реле на каком проводе есть питания на каком нет!

IMG_3841.jpeg

Изменено пользователем Peak

Поделиться сообщением


Ссылка на сообщение
Поделиться на других сайтах
  • Откуда: Подольск
  • Машина: TLC80 1HZ 1996 г. STD +4" 35" Cooper discoverer a/t3
8 минут назад, Peak сказал:

проблема скорей всего вот здесь нет питания!!

Проверяется перемычкой в момент запуска. 

Поделиться сообщением


Ссылка на сообщение
Поделиться на других сайтах
  • Откуда: Екатеринбург
  • Машина: Ленд крузер 80

В итоге чем дело закончилось?

Поделиться сообщением


Ссылка на сообщение
Поделиться на других сайтах

Создайте аккаунт или войдите в него для комментирования

Вы должны быть пользователем, чтобы оставить комментарий

Создать аккаунт

Зарегистрируйтесь для получения аккаунта. Это просто!

Зарегистрировать аккаунт

Войти

Уже зарегистрированы? Войдите здесь.

Войти сейчас

  • Сейчас на странице   0 пользователей

    Нет пользователей, просматривающих эту страницу.


Change privacy settings
×

Важная информация

Чтобы сделать этот веб-сайт лучше, мы разместили cookies на вашем устройстве. Вы можете изменить свои настройки cookies, в противном случае мы будем считать, что вы согласны с этим.