Войдите, чтобы подписаться
Подписчики
0
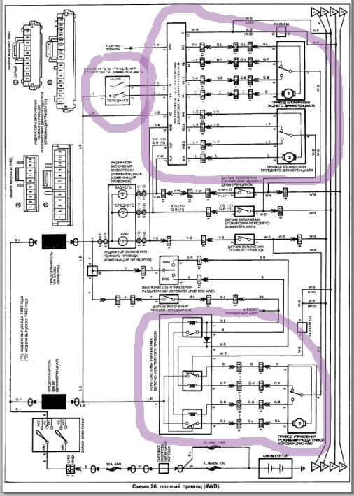
Вопрос про блокировки
Автор:
ivpo, в Тех. вопросы Landcruiser серий 80, 100, 105 (Lexus LX 450, 470)
-
Сейчас на странице 0 пользователей
Нет пользователей, просматривающих эту страницу.
