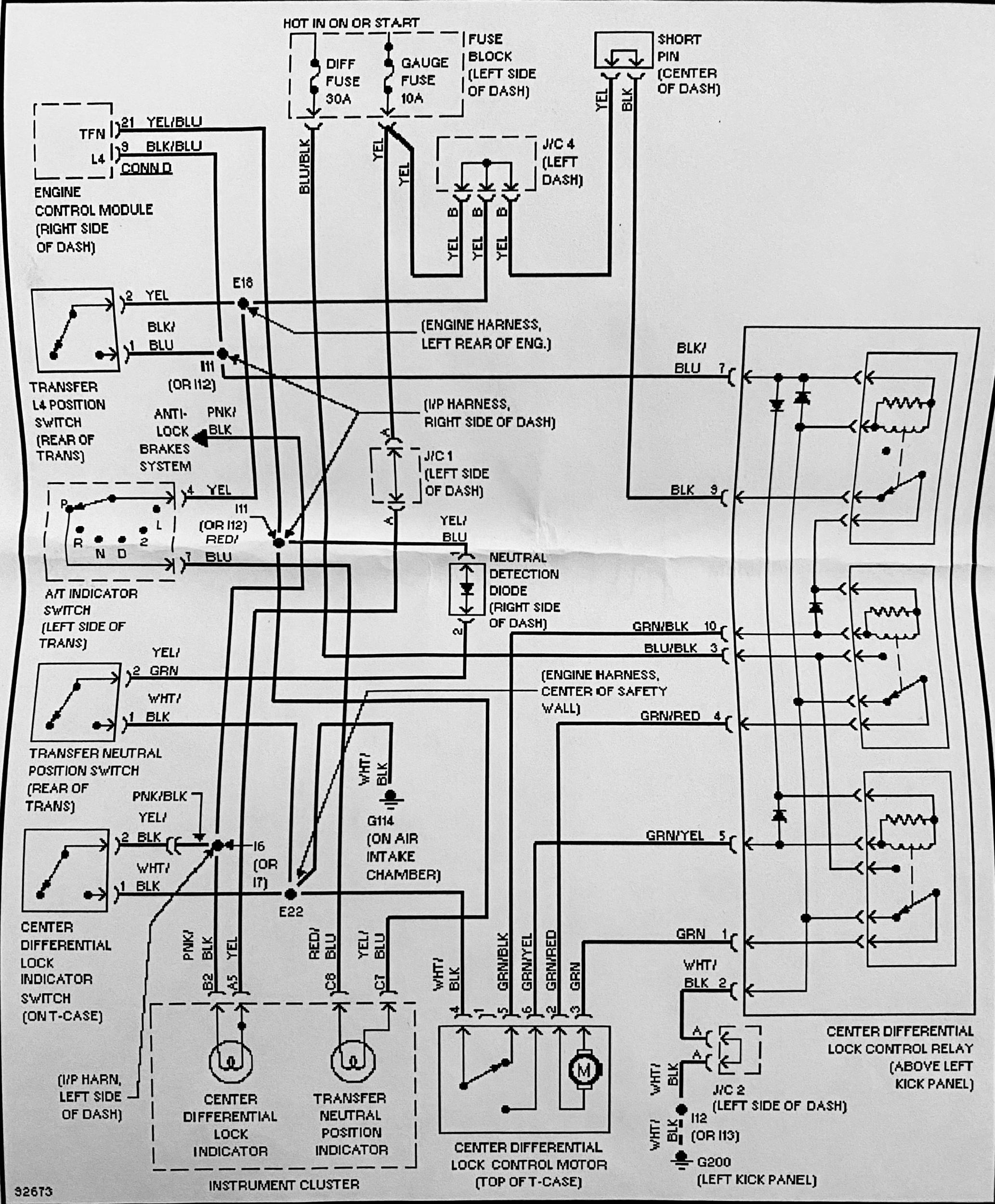
Ещё раз о Full time на новых 70 (GRJ71 с ABS)
Автор:
Экономист, в Тех. вопросы Landcruiser "тяжелых" 7x (1HZ, 1PZ, 3B, 1FZ-FE, 1GR, 1VD)
-
Сейчас на странице 0 пользователей
Нет пользователей, просматривающих эту страницу.
