Перейти к публикации

Рекомендованные сообщения

  • Откуда: Северодвинск
  • Машина: TLC 80 VX 95 г. 1-HZ
37 минут назад, LyamovINC сказал:

Проверь провод от левого акб до правого.

А разве между ними есть "прямой" провод?

Поделиться сообщением


Ссылка на сообщение
Поделиться на других сайтах
  • Откуда: Екатеринбург
  • Машина: HDJ80, 91г.в.,VX, автомат, лебедь и локи
8 часов назад, FilimonOFF сказал:

А разве между ними есть "прямой" провод?

Я конечно уже всё подзабыл, по лет 5 назад у меня была похожая по симптомам проблема, так же перепроверял всё от реле 12-24 до всех масс и т.д., проблема оказалась в проводе идущем на правый акб с левой стороны по телевизору.

Поделиться сообщением


Ссылка на сообщение
Поделиться на других сайтах
  • Откуда: Санкт-Петербург, Калининский район, ул. Вавиловых
  • Машина: TLK 80 VX 1992г 1HD-T АКПП HDJ81V-RNPEX
11 часов назад, FilimonOFF сказал:

Проблема похожая как у ТС, был в отпуске больше месяца, приехал - акуумы сели, зарядил, завёл, переставил во дворе и заглушил. Всё... Больше не заводится.. Зажигание включается, все лампочки горят, доворачиваю на старт и тишина полная.. Только падает напряжение в сети, подпрыгивает стрелка тахометра.. Реле стартёра не щёлкает, реле 12/24 не щёлкает, через некоторое время щёлкает реле питания. Проверил все аккумуляторные клеммы и провода, всё открутил, зачистил, массовые на кузове и двигле тоже, нигде визуально проблема не вырисовалась.. Стал проверять реле отдельно, стартёрное работает - контакты замыкаются, подавал питание от аккума - втягивающее щёлкает на 12 вольтах, подал питание на реле 12/24 - щёлкает, проверил реле размыкающее старт от сигналки - всё норм, достал преобразователь реле 12/24 из стойки в ногах пассажира проверил по талмуду - всё ок.. + с него на реле стартёра выходит.. но не доходит ! Ещё не нашёл реле предохраняющее при срабатывании реле 12/24, которое по схеме рядом с ним и на один из его проводов посажено.. Четыре дня уже убито, руки опускаются.. Я так понимаю, этот плюс не только на реле стартёра не приходит, ещё что то запитывается.. Уже мысль появилась выдрать всё с корнем и поставить обычный стартёр на 12 вольт.. Помогите, куда ползти..

Немного сбивчиво описана ситуация, но по симптомам проблема или в цепи от контакта "СТАРТЕР" на замке зажигания до таймера 12-24 или в самом таймере. 

Плюс на реле стартера присутствует постоянно, а вот минус приходит с таймера при повороте ключа в положение "СТАРТЕР". Плюс с таймера должен приходить на реле12-24. Если у Вас не срабатывают оба этих реле, то значит или плюс не приходит на таймер с замка зажигания или не не работает сам таймер.

Плюс на таймер проходит через предохранитель GAUGE, но Вы пишите, что приборная панель загорается, значит он должен быть целым, но на всякий случай проверьте.

Защитное реле стоит на сборке в ногах водителя, у леворульных HZ это, по моему, самое нижнее квадратное в пластмассовом корпусе, но оно получает сигнал после срабатывания реле 12-24 и на саму заводку не влияет.

9 часов назад, FilimonOFF сказал:

А разве между ними есть "прямой" провод?

Они соеденены через клеммы (1+) и (2+) на реле12-24

Поделиться сообщением


Ссылка на сообщение
Поделиться на других сайтах
  • Откуда: Северодвинск
  • Машина: TLC 80 VX 95 г. 1-HZ

Это точно, что плюс на реле стартёра есть постоянно??? Плюс с замка на таймере в режиме старт появляется на двух клеммах 1и 3, также на таймере есть постоянный плюс.. Предохранители все целы, проверял несколько раз, вынимал всю колодку - гнёзда с обратной стороны не оплавлены.. Как проверить сам таймер?? Там плата с транзисторами и микросхемами...

Поделиться сообщением


Ссылка на сообщение
Поделиться на других сайтах
  • Откуда: Подольск
  • Машина: TLC80 1HZ 1996 г. STD +4" 35" Cooper discoverer a/t3
12 минут назад, FilimonOFF сказал:

Это точно, что плюс на реле стартёра есть постоянно???

Если речь про управляющий плюс, на обмотку реле, то нет, он подаётся вместе с минусом в момент старта. 

Поделиться сообщением


Ссылка на сообщение
Поделиться на других сайтах
  • Откуда: Санкт-Петербург, Калининский район, ул. Вавиловых
  • Машина: TLK 80 VX 1992г 1HD-T АКПП HDJ81V-RNPEX
39 минут назад, FilimonOFF сказал:

Это точно, что плюс на реле стартёра есть постоянно??? Плюс с замка на таймере в режиме старт появляется на двух клеммах 1и 3, также на таймере есть постоянный плюс.. Предохранители все целы, проверял несколько раз, вынимал всю колодку - гнёзда с обратной стороны не оплавлены.. Как проверить сам таймер?? Там плата с транзисторами и микросхемами...

Постоянный плюс на реле стартера это плюс который идёт на втягивающее, а на обмотку и плюс и минус, как написал Saimak, идут с таймера. Я об этом плюсе написал чтобы указать, что проверять втягивающее, если не срабатывают и реле стартера и реле 12-24 смысла нет, нужно проверять подачу напряжения на таймер, это плюс на 2 клемму фишки и минус на 7 клемму фишки. Минус на 7 клемме должен быть постоянно, а плюс при повороте ключа в положение "СТАРТЕР". Если напряжение подаётся, значит проблема в таймере. Нужно тогда проверить какой сигнал отсутствует. Нужно повернуть ключ в "СТАРТЕР" и приборчиком прозвонить фишки на реле стартера и реле 12-24. Если отсутствует только минус его можно подать напрямую, если нет плюса таймер, скорее всего придётся менять.

P.S. Сразу не обратил внимания, если на 3 клемме появляется плюс, то проблема с минусом. На 3 клемме при повороте в "СТАРТЕР" должен как раз появляться управляющий минус, а так как его нет то плюс с замка через обмотку приходит на 3 клемму. Попробуй подать минус напрямую на 7 клемму.

Изменено пользователем Eugene63

Поделиться сообщением


Ссылка на сообщение
Поделиться на других сайтах
  • Откуда: Северодвинск
  • Машина: TLC 80 VX 95 г. 1-HZ

Пошёл ещё раз проверю...

Поделиться сообщением


Ссылка на сообщение
Поделиться на других сайтах
  • Откуда: Санкт-Петербург, Калининский район, ул. Вавиловых
  • Машина: TLK 80 VX 1992г 1HD-T АКПП HDJ81V-RNPEX
1 минуту назад, FilimonOFF сказал:

Пошёл ещё раз проверю...

Для быстрой проверки минус можно подать прямо на фишки релюшек, если заведётся, то тогда искать где на таймер он теряется.

Поделиться сообщением


Ссылка на сообщение
Поделиться на других сайтах
  • Откуда: Северодвинск
  • Машина: TLC 80 VX 95 г. 1-HZ

Сходил ещё раз всё прозвонил, заодно посмотрел схему - по ней минус постоянный приходит на таймер на 3ю клемму!! Прозвонил фишку с отсоединением таймера по талмуду - отсутствуют любые проявления активности на 3ей клемме... Присоединил таймер - снова прозвонил, на 3ей клемме тишина на всех режимах, в режиме старт появляются + на 1ой и 5ой фишках и - на 6ой.. Фишки 5 и 6  если я правильно понимаю - на реле 12/24.. Далее, прозвонил фишки реле стартёра - нет -, на плюсе сначала есть проводимость, на пробнике горит зелёный диод, в режиме старт появляется +.. А на фишке 12/24 в режиме старт появляется -, а + моргнул и исчез.. Попробовал подать минус напрямую на - реле стартёра - никаких изменений... Вообще вошёл в ступор... Мозг перестаёт воспринимать реальность..Какая то блуждающая херня.. Либо я неправильно понимаю последовательность.. Я включаю зажигание - на таймер подаётся плюс, я нажимаю старт, на таймер подаётся управляющий плюс и таймер выдаёт + и - на реле стартера, которое подаёт плюс на реле 12/24 и втягивающее, происходит переключение с 12 на 24 вольта и втягивающее запускает стартёр - всё верно??? CwzY4ZPWvLM.thumb.jpg.b5aa1b5a5da00fb5c759fcf3442f2a42.jpgcFMk84KnbPE.thumb.jpg.9a580073d62b61c2b69aa230ff03ba35.jpgZrUU0xur94I.thumb.jpg.c6f8db3c17fa7d059eb6f761553623a2.jpgZdMSQpLb9Vs.thumb.jpg.c1753c9b7eb88e3a1018e6bb5321781b.jpg

В связи с этим возник вопрос - талмуд врёт? по схеме он показывает на реле стартёра постоянный минус, а при прозвоне фишки по таблице на обеих клеммах 1 и 3 в режиме старт должен быть +...

Поделиться сообщением


Ссылка на сообщение
Поделиться на других сайтах
  • Откуда: Подольск
  • Машина: TLC80 1HZ 1996 г. STD +4" 35" Cooper discoverer a/t3
19 минут назад, FilimonOFF сказал:

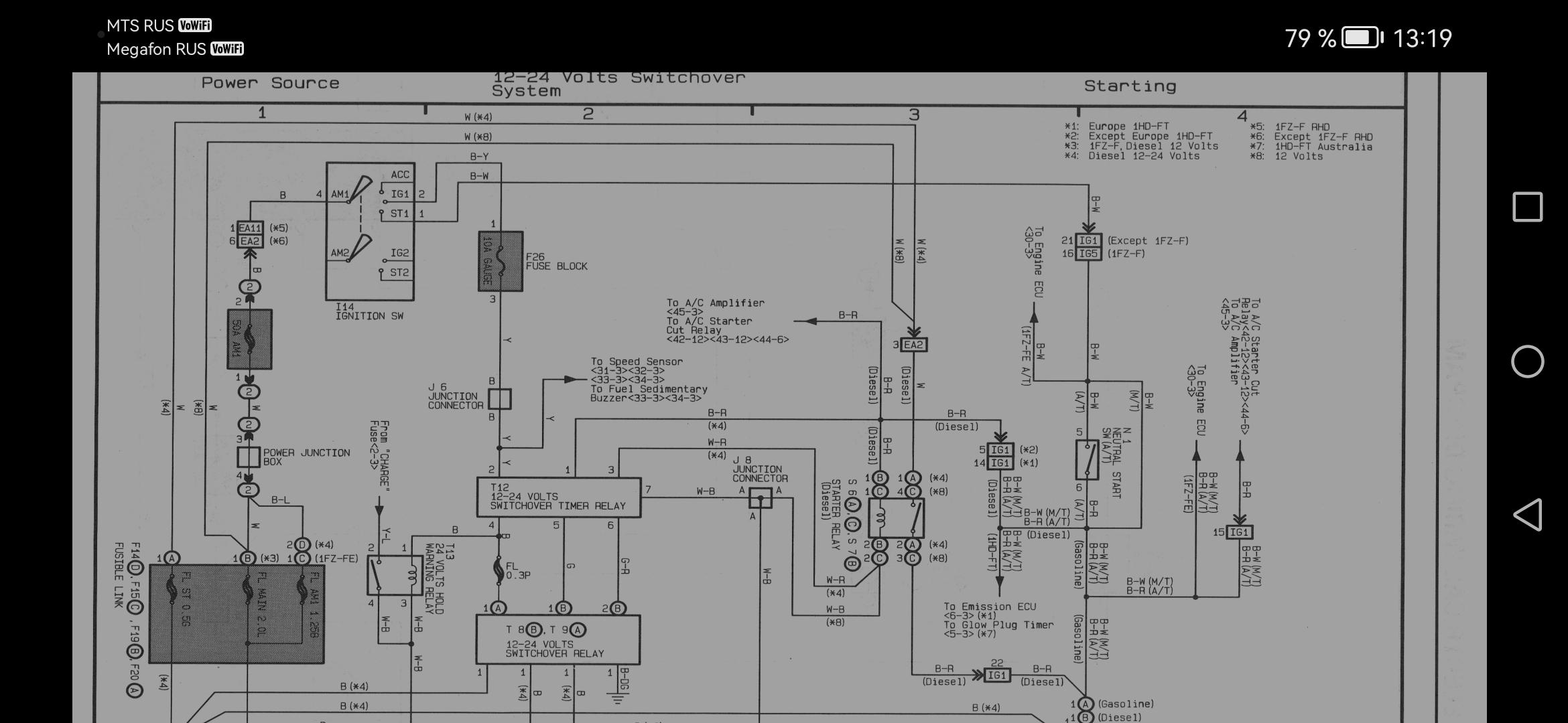
В связи с этим возник вопрос - талмуд врёт?

Screenshot_20240725_131901_org.readera.thumb.jpg.478f30e4bef4cb23f969c56ad8cb8996.jpg

Поделиться сообщением


Ссылка на сообщение
Поделиться на других сайтах
  • Откуда: Северодвинск
  • Машина: TLC 80 VX 95 г. 1-HZ
13 минут назад, Saimak сказал:

Screenshot_20240725_131901_org.readera.thumb.jpg.478f30e4bef4cb23f969c56ad8cb8996.jpg

Та же схема только в профиль! То есть на клемме 3 таймера, как и на клемме реле стартёра должен быть постоянный "-"!! Правильно мыслю? Значит если я на то и то подам минус с корпуса - должно заработать..?

Поделиться сообщением


Ссылка на сообщение
Поделиться на других сайтах
  • Откуда: Санкт-Петербург, Калининский район, ул. Вавиловых
  • Машина: TLK 80 VX 1992г 1HD-T АКПП HDJ81V-RNPEX
25.07.2024 в 13:25, FilimonOFF сказал:

Та же схема только в профиль! То есть на клемме 3 таймера, как и на клемме реле стартёра должен быть постоянный "-"!! Правильно мыслю? Значит если я на то и то подам минус с корпуса - должно заработать..?

Нет, постоянный минус приходит на таймер на клемму 7, а при повороте ключа с клеммы 3 подаётся на обмотку реле стартера. На клемме 7 минус постоянный есть?

 

25.07.2024 в 13:00, FilimonOFF сказал:

Сходил ещё раз всё прозвонил, заодно посмотрел схему - по ней минус постоянный приходит на таймер на 3ю клемму!! Прозвонил фишку с отсоединением таймера по талмуду - отсутствуют любые проявления активности на 3ей клемме... Присоединил таймер - снова прозвонил, на 3ей клемме тишина на всех режимах, в режиме старт появляются + на 1ой и 5ой фишках и - на 6ой.. Фишки 5 и 6  если я правильно понимаю - на реле 12/24.. Далее, прозвонил фишки реле стартёра - нет -, на плюсе сначала есть проводимость, на пробнике горит зелёный диод, в режиме старт появляется +.. А на фишке 12/24 в режиме старт появляется -, а + моргнул и исчез.. Попробовал подать минус напрямую на - реле стартёра - никаких изменений... Вообще вошёл в ступор... Мозг перестаёт воспринимать реальность..Какая то блуждающая херня.. Либо я неправильно понимаю последовательность.. Я включаю зажигание - на таймер подаётся плюс, я нажимаю старт, на таймер подаётся управляющий плюс и таймер выдаёт + и - на реле стартера, которое подаёт плюс на реле 12/24 и втягивающее, происходит переключение с 12 на 24 вольта и втягивающее запускает стартёр - всё верно??? CwzY4ZPWvLM.thumb.jpg.b5aa1b5a5da00fb5c759fcf3442f2a42.jpgcFMk84KnbPE.thumb.jpg.9a580073d62b61c2b69aa230ff03ba35.jpgZrUU0xur94I.thumb.jpg.c6f8db3c17fa7d059eb6f761553623a2.jpgZdMSQpLb9Vs.thumb.jpg.c1753c9b7eb88e3a1018e6bb5321781b.jpg

В связи с этим возник вопрос - талмуд врёт? по схеме он показывает на реле стартёра постоянный минус, а при прозвоне фишки по таблице на обеих клеммах 1 и 3 в режиме старт должен быть +...

На самой нижней схеме фишки все сигналы кроме клеммы 3 правильные. 2-основной плюс на таймер, 1-плюс при "СТАРТЕР" на реле стартера,5-плюс на реле12-24, 6-минус на реле12-24. Нет минуса на реле стартера - это проблема с таймером, не частая но известная. Подай напрямую минус на реле стартера, и всё должно заработать. Не понятно только одно, если при "СТАРТЕР" на клемах 5 и 6 присутствует напряжение, почему не щёлкает реле 12-24?

Поделиться сообщением


Ссылка на сообщение
Поделиться на других сайтах
  • Откуда: Северодвинск
  • Машина: TLC 80 VX 95 г. 1-HZ

Да, на 7 ой клемме постоянный минус! Но по схеме (две схемы на фотках)постоянный - приходит и на реле стартера и на 3ю клемму таймера! Чему верить..? Я подавал минус на реле стартёра с кузова - результат нулевой..

Изменено пользователем FilimonOFF

Поделиться сообщением


Ссылка на сообщение
Поделиться на других сайтах
  • Откуда: Санкт-Петербург, Калининский район, ул. Вавиловых
  • Машина: TLK 80 VX 1992г 1HD-T АКПП HDJ81V-RNPEX
25.07.2024 в 13:51, FilimonOFF сказал:

Да, на 7 ой клемме постоянный минус! Но по схеме (две схемы на фотках)постоянный - приходит и на реле стартера и на 3ю клемму таймера! Чему верить..? 

Схема Saimak самая правильная, мы с ним в каком-то посту эту ситуацию обсуждали и я у себя прозванивал фишки, и мы во всём разобрались. Схема не только для пуска 12-24В, но и для 12В и для бензиновых двигателей (в верхнем правом углу есть сноска), поэтому провода который идёт от коннектора А на реле стартера у нас, при 24В пуске, нет, а есть тот что идёт на 7 клемму. 

 

На этой серой фишке напряжение при "СТАРТЕР" есть?

IMG_3413.JPG

Поделиться сообщением


Ссылка на сообщение
Поделиться на других сайтах
  • Откуда: Северодвинск
  • Машина: TLC 80 VX 95 г. 1-HZ

Значит у меня как бы проблема в том, что не появляется с таймера  "-" на 3ей клемме..? То есть проблема в самом таймере? Вопрос, если я отсоединю таймер от разъёма, запараллелю фишки реле стартёра и реле 12/24 и при включенном питании подам на них соответственно + и -, то машина должна завестись..Так? минус при этом на защитном реле постоянно есть?

13 минут назад, Eugene63 сказал:

На этой серой фишке напряжение при "СТАРТЕР" есть?

IMG_3413.JPG

Минус чёткий появляется, а + на доли секунды появляется и пропадает..

Поделиться сообщением


Ссылка на сообщение
Поделиться на других сайтах
  • Откуда: Санкт-Петербург, Калининский район, ул. Вавиловых
  • Машина: TLK 80 VX 1992г 1HD-T АКПП HDJ81V-RNPEX
13 минут назад, FilimonOFF сказал:

Значит у меня как бы проблема в том, что не появляется с таймера  "-" на 3ей клемме..? То есть проблема в самом таймере? Вопрос, если я отсоединю таймер от разъёма, запараллелю фишки реле стартёра и реле 12/24 и при включенном питании подам на них соответственно + и -, то машина должна завестись..Так? минус при этом на защитном реле постоянно есть?

Минус чёткий появляется, а + на доли секунды появляется и пропадает..

Посмотри на предыдущей странице я описывал как нужно заводить без реле 12-24. Таймер не отключай через него плюс будет подаваться на реле стартера, а минус на реле стартера подай напрямую.

Минус на защитном реле есть постоянно, плюс туда приходит когда замыкаются клемы 2+ и 1- на реле 12-24.

Изменено пользователем Eugene63

Поделиться сообщением


Ссылка на сообщение
Поделиться на других сайтах
  • Откуда: Северодвинск
  • Машина: TLC 80 VX 95 г. 1-HZ
19 минут назад, Eugene63 сказал:

Посмотри на предыдущей странице я описывал как нужно заводить без реле 12-24. Таймер не отключай через него плюс будет подаваться на реле стартера, а минус на реле стартера подай напрямую.

Минус на защитном реле есть постоянно, плюс туда приходит когда замыкаются клемы 2+ и 1- на реле 12-24.

Да, я читал, отложил себе на подкорке, но там надо 4 руки.. я ковыряю её во дворе, и до 18 часов никого кто бы мог помочь не предвидится.. Функцию таймера я правильно представляю, на нём есть постоянный минус, плюс приходит постоянный при включении зажигания, при старте таймер подаёт + на реле стартёра и реле 12/24 и одновременно на них же подаёт и минус, когда ключ отпускаем, он всё отключает.. Так? То есть, эту функцию могут выполнять два спаренных реле, которые будут включаться в режиме старт и подавать на эти релюхи плюс и минус.. и никакого таймера, с транзисторами и микросхемами не понадобится?

Поделиться сообщением


Ссылка на сообщение
Поделиться на других сайтах
  • Откуда: Санкт-Петербург, Калининский район, ул. Вавиловых
  • Машина: TLK 80 VX 1992г 1HD-T АКПП HDJ81V-RNPEX
1 час назад, FilimonOFF сказал:

Да, я читал, отложил себе на подкорке, но там надо 4 руки.. я ковыряю её во дворе, и до 18 часов никого кто бы мог помочь не предвидится.. Функцию таймера я правильно представляю, на нём есть постоянный минус, плюс приходит постоянный при включении зажигания, при старте таймер подаёт + на реле стартёра и реле 12/24 и одновременно на них же подаёт и минус, когда ключ отпускаем, он всё отключает.. Так? То есть, эту функцию могут выполнять два спаренных реле, которые будут включаться в режиме старт и подавать на эти релюхи плюс и минус.. и никакого таймера, с транзисторами и микросхемами не понадобится?

В принципе да, для временной схемы так сделать можно. Если срочно нужно завести во дворе, то в твоём случае проще подать плюс с клеммы 1 на клемму 5 перемкнув их, и подать постоянный минус на реле стартера.

Изменено пользователем Eugene63

Поделиться сообщением


Ссылка на сообщение
Поделиться на других сайтах
  • Откуда: Северодвинск
  • Машина: TLC 80 VX 95 г. 1-HZ

Больше этот таймер кроме реле стартёра и реле 12/24 ничем не управляет и ничего не коммутирует..? Пошёл попробую..

 

Изменено пользователем FilimonOFF

Поделиться сообщением


Ссылка на сообщение
Поделиться на других сайтах
  • Откуда: Санкт-Петербург, Калининский район, ул. Вавиловых
  • Машина: TLK 80 VX 1992г 1HD-T АКПП HDJ81V-RNPEX
6 минут назад, FilimonOFF сказал:

Больше этот таймер кроме реле стартёра и реле 12/24 ничем не управляет и ничего не коммутирует..?

 

Нет, ничего не коммутирует.  На сколько я понимаю он делает небольшую задержку между подачей напряжения на реле стартера и реле 12-24, видимо преследовалась цель дать бендиксу входить в зацепление с маховиком до начала вращения, что бывает при обычной схеме.

Поделиться сообщением


Ссылка на сообщение
Поделиться на других сайтах

Создайте аккаунт или войдите в него для комментирования

Вы должны быть пользователем, чтобы оставить комментарий

Создать аккаунт

Зарегистрируйтесь для получения аккаунта. Это просто!

Зарегистрировать аккаунт

Войти

Уже зарегистрированы? Войдите здесь.

Войти сейчас

  • Сейчас на странице   0 пользователей

    Нет пользователей, просматривающих эту страницу.


Change privacy settings
×

Важная информация

Чтобы сделать этот веб-сайт лучше, мы разместили cookies на вашем устройстве. Вы можете изменить свои настройки cookies, в противном случае мы будем считать, что вы согласны с этим.