Перейти к публикации

Рекомендованные сообщения

  • Откуда: Украина, г.Запорожье
  • Машина: TLC 80 VX

Не, только с центром... От 100-ки подходит, только там насколько помню в самой фишке нужно контакты местами поменять...

Поделиться сообщением


Ссылка на сообщение
Поделиться на других сайтах
  • Откуда: спб
  • Машина: 80VX

попробую свою оживить, а то через раз!!Новая больно кусачая)) а Бу тот же кот)))

Поделиться сообщением


Ссылка на сообщение
Поделиться на других сайтах
  • Откуда: Москва
  • Машина: TLC80 GX 1HD-FT 3DiffLock BL3см+SL9см Фбел160М

Тоже на одной 80-ке сервопривод заднего лока развалился sad.gif Есть где-то дешевле экзиста?

Читал на форуме про Эмира... У gOrik брал дешевле, чем на exist

Поделиться сообщением


Ссылка на сообщение
Поделиться на других сайтах
  • Откуда: Москва
  • Машина: TLC80 GX 1HD-FT 3DiffLock BL3см+SL9см Фбел160М

Моторчики на мостах приходится перебирать каждый год после весны. Вывод шланга сапуна в шнорхель, залитие герметиком насмерть не спасает, не знаю почему - все, что внешнее, стоит на герметике, в мосту воды нет. В гараже гонщики живут (ралли-рейды), они завязали причину искать, просто перебирают приводы блокировки каждый раз после воды. Мне уже все равно, как вынимать, как разбирать. Снятие и разборка по мануалу с пометками позволяет существенно сэкономить время при сборке. При сборке моторчика надо обеспечить необходимый угол поворота .Это достигается установкой шестерни относительно контактов. Подсказка - накатанные дорожки на металле шестерни. Один раз пройти это - и опыт появится. С передним мостом проще - там зубчатая рейка, даже если чего сбилось, можно подвинуть на зуб. При этом важно проверить (лучше физически) не только блокировку, но и разблокировку. С задним мостом сложнее - там в шток болт вкручивается, поэтому важно соблюсти длину выдвижения/втягивания штока. Замечание насчет блокировки-разблокировки здесь тоже имеет место быть. Достигается это путем поворота пластиковой шестерни относительно контактов. Муторно, конечно... Но есть и плюс - если в дальней дороге чего сломалось, есть шанс починить и самому уехать.

Поэтому перед снятием я блокирую диф, измеряю длину штока, отмечаю расположение шестеренки, при снятии крышки привода отмечаю расположение шестерни.

Контакты сгнили - заменил (из бронзы 0,1). Пружина спиральная сгнила - заменил на аналогичную от механической бритвы "Спутник". Живут пока. Купить всегда успею.

Только сдается мне, что все, связанное с электричеством, лучше новое. В б/у моторчиках, реле и пр. уже не раз разочаровывался...

Поделиться сообщением


Ссылка на сообщение
Поделиться на других сайтах
  • Откуда: Москва
  • Машина: Land Cruiser PZ-77 HDT

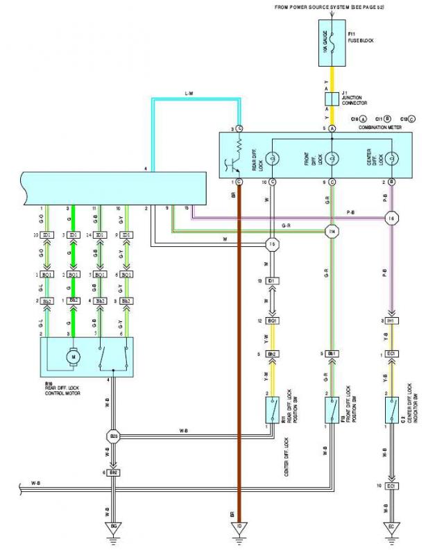
Про переднюю блокировку:

Для тех кто любит все сделать сам:

http://forum.ih8mud.com/threads/muddin-family-style.481506/

post-1225-0-34202600-1408644832_thumb.jp

 

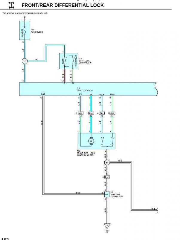
Общая схема:

post-1225-0-50072400-1408645041_thumb.jp

Поделиться сообщением


Ссылка на сообщение
Поделиться на других сайтах
  • Откуда: Улан-Удэ
  • Машина: семь-восэм

ВАУ круть. А компьютер блокировок тоже самому можно сделать?

Поделиться сообщением


Ссылка на сообщение
Поделиться на других сайтах
  • Откуда: Москва
  • Машина: Land Cruiser PZ-77 HDT

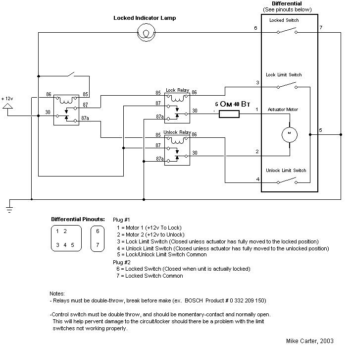
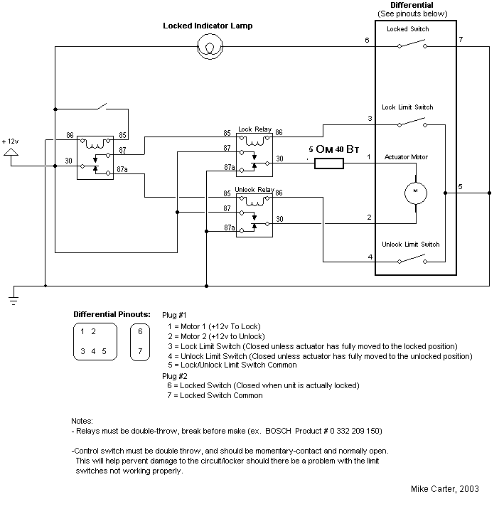
Можно самому сделать, "компьютер" выглядит примерно так, кто то делал, добавил сопр. 5 ом 40 Вт

 

post-1225-0-39696500-1408695418_thumb.gi

Поделиться сообщением


Ссылка на сообщение
Поделиться на других сайтах
  • Откуда: Москва
  • Машина: Land Cruiser PZ-77 HDT

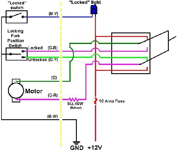
Та же схема управления блокировкой редуктора в красках:

 

 

post-1225-0-53696300-1408695884_thumb.jp

Поделиться сообщением


Ссылка на сообщение
Поделиться на других сайтах
  • Откуда: Москва
  • Машина: Land Cruiser PZ-77 HDT

Простейший вариант управления блокировкой без релюх, переключатели нужны помощнее ампер 10.

Такую схему я поставил на своей раздатке для блокировки межосевого дифа.

Можно и мосты так включать, если штатной нет или она сгорела.

 

post-1225-0-93463000-1408696354_thumb.jp

 

Как работает:

Правый двухпозиционный выключатель подает +12в, на один из двух полюсов, задавая направление вращения.

А трехлепестковый концевик на пластине (где пружины натяга стоят) подает -12в, он же прекращает подачу напряжения(-12в) и останавливает моторчик.

post-1225-0-90754500-1408697128_thumb.jp

post-1225-0-34057700-1408697133_thumb.jp

Изменено пользователем LeoFF

Поделиться сообщением


Ссылка на сообщение
Поделиться на других сайтах
  • Откуда: Улан-Удэ
  • Машина: семь-восэм

А если моторчик не доведёт подковку до точки размыкания скользящего контакта то весело сожжёт сам себя... Это всё проходили, и резистор тут не поможет.

Поделиться сообщением


Ссылка на сообщение
Поделиться на других сайтах
  • Откуда: Москва
  • Машина: Land Cruiser PZ-77 HDT

Спасибо за опыт. Надо проверить, так ли это.

Поделиться сообщением


Ссылка на сообщение
Поделиться на других сайтах
  • Откуда: Кишинев
  • Машина: land cruiser 80 gx 4.5

а никто корпус не менял но новый новодельный?
есть желание забацать из нержавейки.

Поделиться сообщением


Ссылка на сообщение
Поделиться на других сайтах
  • Откуда: Сочи Красная Поляна
  • Машина: УАЗ Василий и LX570

а никто корпус не менял но новый новодельный?

есть желание забацать из нержавейки.

Его только на Чпу  точить ,  ценник  думаю будет космический   ,  так  как  нержа очень тяжело обрабатывается  . 

Дешевле наверно каждый  год новый  моторчик покупать будет . 

Поделиться сообщением


Ссылка на сообщение
Поделиться на других сайтах
  • Откуда: Петропавловск-Камчатский
  • Машина: тойота сурф 1996 1kz-te, мкп, мультимод, truetrac перед, e-locker зад, лебедка Electric Winch 12000 х 2

Можно самому сделать, "компьютер" выглядит примерно так, кто то делал, добавил сопр. 5 ом 40 Вт

 

attachicon.gifВ схему пришлось включить сопротивление 5 Ом 40 Вт .gif

у меня собран блок управления по этой схеме, сопротивления нет, стоят быстрые реле от сигналки. Полет нормальный http://forum.4x4kam.ru/index.php/topic/10277-%D0%B7%D0%B0%D0%BC%D0%B5%D0%BD%D0%B0-%D0%B1%D0%B0%D1%80%D0%B0%D0%B1%D0%B0%D0%BD%D0%BD%D1%8B%D1%85-%D1%82%D0%BE%D1%80%D0%BC%D0%B0%D0%B7%D0%BE%D0%B2-%D0%BD%D0%B0-%D0%B4%D0%B8%D1%81%D0%BA%D0%BE%D0%B2%D1%8B%D0%B5-%D0%B8-%D1%83%D1%81%D1%82%D0%B0%D0%BD/

Поделиться сообщением


Ссылка на сообщение
Поделиться на других сайтах
  • Откуда: Петропавловск-Камчатский
  • Машина: тойота сурф 1996 1kz-te, мкп, мультимод, truetrac перед, e-locker зад, лебедка Electric Winch 12000 х 2

Простейший вариант управления блокировкой без релюх, переключатели нужны помощнее ампер 10.

Такую схему я поставил на своей раздатке для блокировки межосевого дифа.

Можно и мосты так включать, если штатной нет или она сгорела.

 

attachicon.gifb15baf2763ee.jpg

 

Как работает:

Правый двухпозиционный выключатель подает +12в, на один из двух полюсов, задавая направление вращения.

А трехлепестковый концевик на пластине (где пружины натяга стоят) подает -12в, он же прекращает подачу напряжения(-12в) и останавливает моторчик.

attachicon.gifDSC_4781.jpg

attachicon.gifDSC_4779.jpg

Он доведет его в любом случае если исправен, если будет не совпадения шлицов в муфте то взведет пружину.

Поделиться сообщением


Ссылка на сообщение
Поделиться на других сайтах
  • Откуда: Москва
  • Машина: Land Cruiser PZ-77 HDT

Он доведет его в любом случае если исправен, если будет не совпадения шлицов в муфте то взведет пружину.

В моем случае: снял крышку, а пружина взведена на четверть, и все блокировка не работает не туда не сюда.  Механически все крутится, не клинит, хотя ржавчины достаточно.

 

А вот по проводке обнаружил замыкание на 1 и 2 (питание моторчика)

Кто бы подсказал где блок управления блокировки стоит на тяжелой серии семидесяток.

Поделиться сообщением


Ссылка на сообщение
Поделиться на других сайтах
  • Откуда: Улан-Удэ
  • Машина: семь-восэм

Да вроде там же где и на лёгкой: в районе правой ноги пассажира на вертикальной стенке...

Поделиться сообщением


Ссылка на сообщение
Поделиться на других сайтах
  • Откуда: Москва
  • Машина: LRDefender 90 2007+, TLC 76 араб HZJ76L.

Господа, на 76й машине 2011 года навернулись по очереди задняя, а затем и передняя межколёсные блокировки.

Заднюю сняли. Со слов ремонтников, проблема в большой текстолитовой шестерне, которая перемыкает контакты - у неё сожраны зубцы, за которые её крутит моторчик. Внутри корпуса воды/грязи нет, ничто не мешает движению самой шестерни. Морду ещё не разбирали, но полагаю что там то же самое.

Вопрос: это из за чего такая хрень и где теперь искать эти шестерни?

Поделиться сообщением


Ссылка на сообщение
Поделиться на других сайтах
  • Откуда: УКРАИНА
  • Машина: LAND CRUISER105

Господа, на 76й машине 2011 года навернулись по очереди задняя, а затем и передняя межколёсные блокировки.

Заднюю сняли. Со слов ремонтников, проблема в большой текстолитовой шестерне, которая перемыкает контакты - у неё сожраны зубцы, за которые её крутит моторчик. Внутри корпуса воды/грязи нет, ничто не мешает движению самой шестерни. Морду ещё не разбирали, но полагаю что там то же самое.

Вопрос: это из за чего такая хрень и где теперь искать эти шестерни?

Проблема с проводкой 100%.Вот поизучай последние пару страниц,http://www.land-cruiser.ru/index.php?showtopic=143434&page=15

четыре моторчика спалил пока нашел причину.Только на межосевой блокировке,но принципы их работы одинаковые.

Поделиться сообщением


Ссылка на сообщение
Поделиться на других сайтах
  • Откуда: Сахалин
  • Машина: Ленд-Крузер 80

Парни я устал воевать с этими моторчиками снял их (ну пока только задний) и выкинул его сделал принцип включения гидро механичий.  Если кому интересно могу скинуть фото и видео  

Поделиться сообщением


Ссылка на сообщение
Поделиться на других сайтах

Создайте аккаунт или войдите в него для комментирования

Вы должны быть пользователем, чтобы оставить комментарий

Создать аккаунт

Зарегистрируйтесь для получения аккаунта. Это просто!

Зарегистрировать аккаунт

Войти

Уже зарегистрированы? Войдите здесь.

Войти сейчас

  • Сейчас на странице   0 пользователей

    Нет пользователей, просматривающих эту страницу.


Change privacy settings
×

Важная информация

Чтобы сделать этот веб-сайт лучше, мы разместили cookies на вашем устройстве. Вы можете изменить свои настройки cookies, в противном случае мы будем считать, что вы согласны с этим.