Перейти к публикации

Рекомендованные сообщения

  • Откуда: Томск
  • Машина: LC80,1HZ,МКПП,1992,подвеска ToughDog +2,бодик +2,все блоки

Короче навернулась блокировка заднего моста. Полез вчера звонить мотор и получил следующую картинку.

Передний мост (он рабочий) звонится следующим образом (нумерация контактов на рисунке):

- выключено:

1) 1 и 2.

2) 3 И 5.

- включено:

1) 1 и 2.

2) 3 И 4 И 5.

Задний мост (с ним проблемы) звонится следующим образом:

- выключено:

1) 1 и 2 не звонятся!.

2) 3 И 4 И 5.

Т.е. концевики которые должны замыкаться при включении замкнуты, но блокировка точно выключена, причем и датчик включения кажет, что выключена. В чем может быть возможная причина? Контакты 1 и 2, как я понял это обмотка двигла, и она должна звонится полюбому? Т.е. в этом случае сгорела обмотка или как? Но почему концевики замкнуты? В общем вопросов много, может кто что подскажет.

И еще, смотрел на ехсисте, он кажет два номера заднего мотора 41450-60041 и 41450-60042. В чем разница? У меня мост не родной, с япа, до 92 г. (эт точно) и переделан вроде из моста бензинки путем замены пары. На нем написано 41450-600 (типогравски на бирке), а даль белое окошко под две цифры которые толи были нанесены каким то другим способом, но теперь их нет. Еще на нем написано, вроде, AISIN (эт производитель на скоко я понял). Как в этом случае определить какой двигатель установлен?

Заранее спасибо!

post-3157-1295581147.jpg

Поделиться сообщением


Ссылка на сообщение
Поделиться на других сайтах
  • Откуда: Москва
  • Машина: Land Cruiser PZ-77 HDT

Открой крышку,на узле блокировки, где сжимающая пружина, там банально частенько, грязь и махровая коррозия, особенно с 92 года.

Поделиться сообщением


Ссылка на сообщение
Поделиться на других сайтах
  • Откуда: Томск
  • Машина: LC80,1HZ,МКПП,1992,подвеска ToughDog +2,бодик +2,все блоки

Понял, гляну, но это по поводу замыкания 3-4-5. А то что 1 и 2 не звонится, это как?

Поделиться сообщением


Ссылка на сообщение
Поделиться на других сайтах
  • Откуда: Санкт-Петербург
  • Машина: Ford Explorer Sport/Limited +

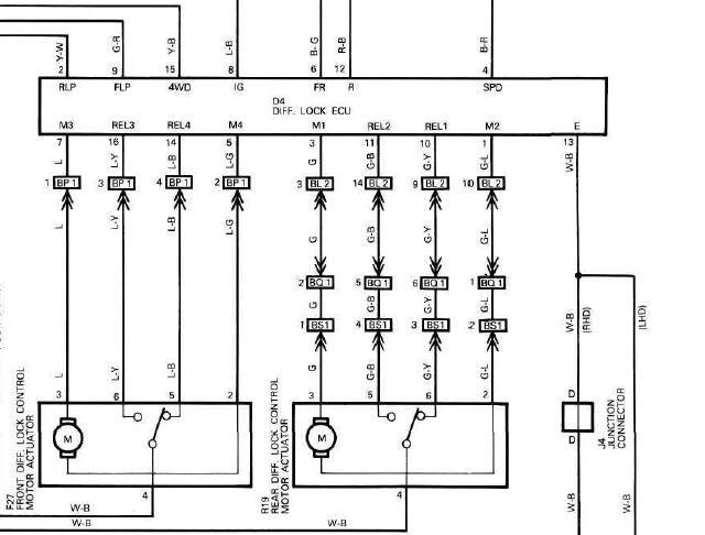
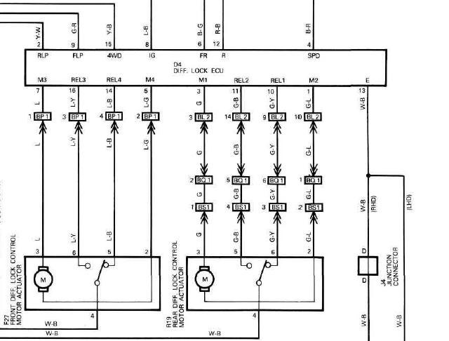
смотри схему

2 контакта (по моей памяти) висят в воздухе, и подключаются к "+ и -" или к "- и +" - в зависимости от необходимого направления вращения двигателя

по памяти, там зеленый и зеленый с полоской (не помню цвет) провода

соответственно, когда включаешь блокировку, на этих проводах около 12 В, секунд 10, потом пропадает, когда выключаешь блокировку - тоже 12 В секунд 10, но обратной полярности

помнится, это если при условии включения блокировки (лампочка на табло перестает мигать и загорается на постоянку), если у тебя движок не включает блокировку и не замыкает концевик, то вроде импульсы обратной полярности (на выключение) уже нет...

вроде так все...

Поделиться сообщением


Ссылка на сообщение
Поделиться на других сайтах
  • Откуда: Украина, г.Запорожье
  • Машина: TLC 80 VX

To: ddg72

А реле в ногах пассажира срабатывает? У меня не работает задняя блокировка, но видимо не в ней дело, когда включаешь блок только зад - тишина, врубаешь дальше (перед + зад) - характерный звук срабатывания реле и включается передняя блокировка! Видимо у меня бок в системе "переключатель - реле"!

Поделиться сообщением


Ссылка на сообщение
Поделиться на других сайтах
  • Откуда: Томск
  • Машина: LC80,1HZ,МКПП,1992,подвеска ToughDog +2,бодик +2,все блоки

То Galuha

Реле не причем в моем случае, дело в моторчике.

То DJ Muff

Я писал что смотрел на рабочем переднем мосту, там 1 и 2 звонятся между собой и в лочном и разлочном положении. А на заднем этого нет. Почему???

По поводу замыкания концевиков 3-4-5 в разлоченом состоянии я понимаю, что это могло из за скопившейся грязи, а с 1-2 непонятно sad.gif

Поделиться сообщением


Ссылка на сообщение
Поделиться на других сайтах
  • Откуда: Москва
  • Машина: LC100 турбо

12 вроде моторчик непосредственно. Там толще провода вроде. Если не звонится может щётки подвисли? Дай туда 12 вольт временно, в разнгых полярностях. Если не крутится ничего в нутри то точно моторчик. Попробуй снять крышку, вынь шестерёнку и покрути вал моторчика с червяком руками.

Изменено пользователем Карбофоs

Поделиться сообщением


Ссылка на сообщение
Поделиться на других сайтах
  • Откуда: Томск
  • Машина: LC80,1HZ,МКПП,1992,подвеска ToughDog +2,бодик +2,все блоки

То Карбофоs

Ты имел в виду 1-2. Следовательно я правильно понял что это обмотка мотора и если она не звонится то следовательно ему скорей всего кирдык. Или есть еще варианты?

Поделиться сообщением


Ссылка на сообщение
Поделиться на других сайтах
  • Откуда: Москва
  • Машина: LC100 турбо

Правильно 1-2. Это обычный электромоторцик с постоянными магнитами и коллектором. Как в детской игрушке smile.gif Покрути вал - может заработает, для этого достаточно крышку снять, можно с моста не снимать. А если подать на него 12 вольт может и заработает. Самое тяжёлое что я видел это вода и ржавчина такая что приклееные постоянные магниты на корпусе от ржавчины отваливались и зажимали ротор намертво. Не сложно посмотреть.

Изменено пользователем Карбофоs

Поделиться сообщением


Ссылка на сообщение
Поделиться на других сайтах
  • Откуда: .
  • Машина: )

при обрыве в цепи обмотки работать не будет.

снимай...делай

скорее щётки повисли из-за коррозии

Изменено пользователем wowan75

Поделиться сообщением


Ссылка на сообщение
Поделиться на других сайтах
  • Откуда: Санкт-Петербург
  • Машина: Ford Explorer Sport/Limited +

вот схема

post-13986-1295642272_thumb.jpg

Поделиться сообщением


Ссылка на сообщение
Поделиться на других сайтах
  • Откуда: Санкт-Петербург
  • Машина: Ford Explorer Sport/Limited +

из чего вывод, что "3 И 4 И 5" не должно быть

ну, насколько по схеме, правда, не могу обнаружить контакт номер 5 разъема...

Поделиться сообщением


Ссылка на сообщение
Поделиться на других сайтах
  • Откуда: Украина, г.Запорожье
  • Машина: TLC 80 VX

А реле точно щелкает в момент включения???

Поделиться сообщением


Ссылка на сообщение
Поделиться на других сайтах
  • Откуда: Томск
  • Машина: LC80,1HZ,МКПП,1992,подвеска ToughDog +2,бодик +2,все блоки

То DJ Muff

На схеме и у меня на разъеме нумерация не такая по этому и не стыкуется, но принцип понял.

То Galuha

Реле точно не причем, у меня не родная схема, а сделан колхоз т.е. новая проводка (схема от кулибина smile.gif ).

То Карбофоs

Крышку которая на трех болтиках держится?

В общем вскрытие покажет. Как вскрою отпишусь, пока некогда этим заниматься.

А по вопросу: смотрел на ехсисте, он кажет два номера заднего мотора 41450-60041 и 41450-60042. В чем разница? У меня мост не родной, с япа, до 92 г. (эт точно) и переделан вроде из моста бензинки путем замены пары. На нем написано 41450-600 (типогравски на бирке), а даль белое окошко под две цифры которые толи были нанесены каким то другим способом, но теперь их нет. Еще на нем написано, вроде, AISIN (эт производитель на скоко я понял). Как в этом случае определить какой двигатель установлен?

Кто что скажет. Это я на тот случай если всеже не получится реанимировать. Как говорится - надейся на лучшее, а готовься к худшему sad.gif

Изменено пользователем ddg72

Поделиться сообщением


Ссылка на сообщение
Поделиться на других сайтах
  • Откуда: Украина, г.Запорожье
  • Машина: TLC 80 VX

To: ddg72

Без реле что-ли!? blink.gif

Поделиться сообщением


Ссылка на сообщение
Поделиться на других сайтах
  • Откуда: Томск
  • Машина: LC80,1HZ,МКПП,1992,подвеска ToughDog +2,бодик +2,все блоки

с 4-мя реле, с жигулевскими, схему сдесь уже обсуждали, да и в лигионовской книжке она есть, приводится для проверки мотора.

Изменено пользователем ddg72

Поделиться сообщением


Ссылка на сообщение
Поделиться на других сайтах
  • Откуда: Томск
  • Машина: LC80,1HZ,МКПП,1992,подвеска ToughDog +2,бодик +2,все блоки

Вчера снял движок и вот результат.

Когда открутил винт крепления лапки включения шток включения ушел (чуть чуть) к двигателю, как будто была какая то натяжка, после чего (о чудо) начали звониться контакты 1 и 2, но по прежнему замкнуты 3,4,5. Снял крышку, где шестеренка, чистота аж противно, муха не..... smile.gif

Вытащив батарейки из фанарика попробовал подать напругу на 1 и 2, как показана в легионовской книжке, тишина. Попробовал от акума, кратковременно, тишина.

После этого попробовал открутить крышку самого двигателя. Когда начал откручивать третий винт заметил, что ее начало отдавливать назад под действием пружины и я побоялся откручивать до конца (еще чего оторвет), закрутил все назад. Смотрел, крутил как эту пружину снять или разобрать этот механизм, так и не узрел, да и надо ли его разбирать.

Да но после этого на контактах 1 и 2 почти исчезло сопротивление, кажет чуть чуть.

Я в замешательстве, подскажите как действовать дальше, не хочу чего нибудь напартачить. В какой последовательности мне действовать при дальнейшем разборе, что можно и нужно разбирать?

post-3157-1295925692_thumb.jpg

Изменено пользователем ddg72

Поделиться сообщением


Ссылка на сообщение
Поделиться на других сайтах
  • Откуда: Москва
  • Машина: Land Cruiser PZ-77 HDT

Видно что ржи и грязи нет , далее крышку с тремя болтами закрыть и проверить моторчик 12 вольтами кратковременно. Там полярность меняется на моторчик в процессе работы его.

Второе действие вручную проверить ход вилки на мосту.

Насчет отдавливает крышку, тоже подозрительно, не помню такого, а если снимать пружину, то потом механизм по положению настраивать нужно.

Поделиться сообщением


Ссылка на сообщение
Поделиться на других сайтах
  • Откуда: Томск
  • Машина: LC80,1HZ,МКПП,1992,подвеска ToughDog +2,бодик +2,все блоки

Так вот я же говорю что на 1 и 2 теперь практически нет сопративления, пробовал я кратковремено подать, тишина.

Крышку (ту где синяя бирка) мотора выдавливает когда откручиваеш три винта которые ее крепят и видно как ротор выходит т.е. пружина находится в натянутом состоянии и давит на червяка, а он соответсвено отдавливает крышку мотора. Такое ощущение, что гдето что то перескочило, а что не могу сообразить.

Где вы народ, кто разбирал и клеил магниты в моторе???? Отзовись! Хочу сегодня пойти, покрутить, повертеть, да вот боюсь чего нибудь отломать sad.gif

Поделиться сообщением


Ссылка на сообщение
Поделиться на других сайтах

Создайте аккаунт или войдите в него для комментирования

Вы должны быть пользователем, чтобы оставить комментарий

Создать аккаунт

Зарегистрируйтесь для получения аккаунта. Это просто!

Зарегистрировать аккаунт

Войти

Уже зарегистрированы? Войдите здесь.

Войти сейчас

  • Сейчас на странице   0 пользователей

    Нет пользователей, просматривающих эту страницу.


Change privacy settings
×

Важная информация

Чтобы сделать этот веб-сайт лучше, мы разместили cookies на вашем устройстве. Вы можете изменить свои настройки cookies, в противном случае мы будем считать, что вы согласны с этим.