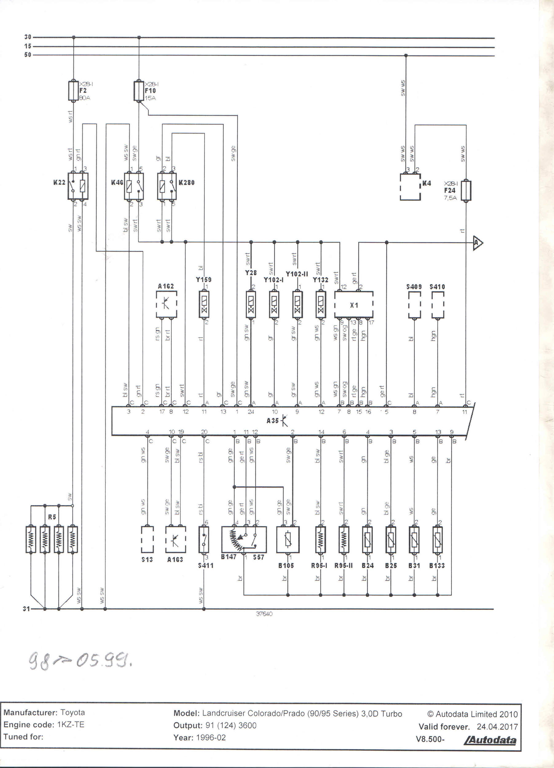
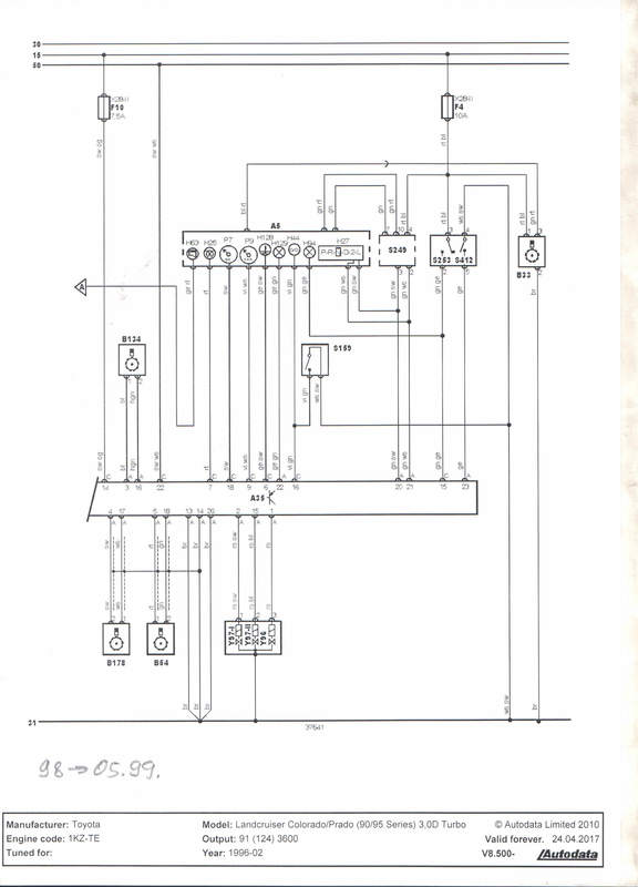
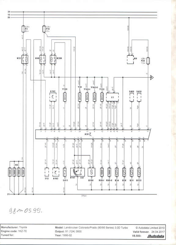
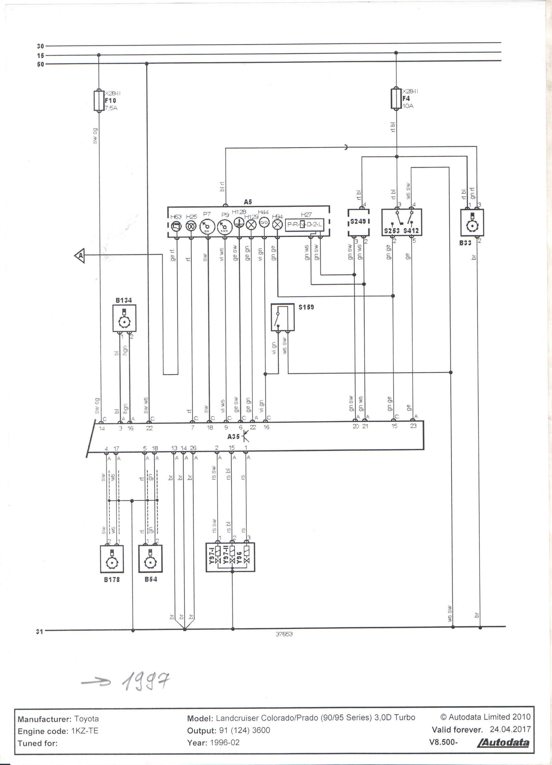
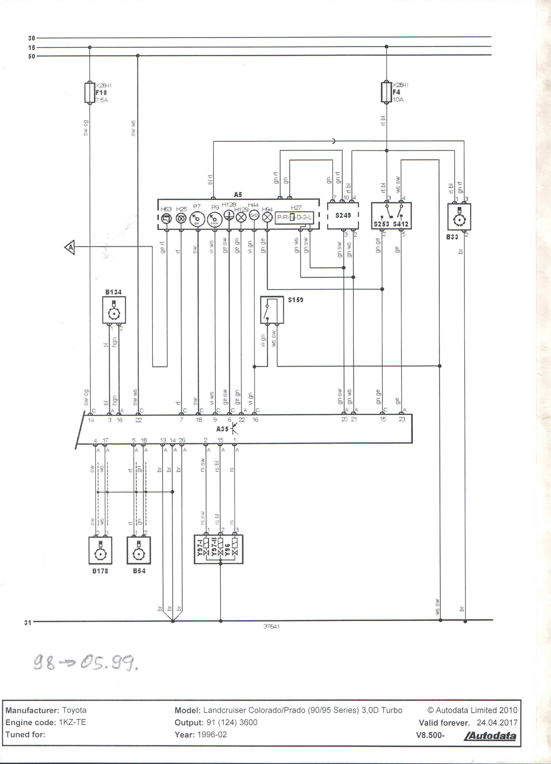
Пошагово 1KZ вместо 3L + какой ЭБУ и коса и подкюч. панельки
Автор:
Antonik, в Тех. вопросы Landcruiser "лёгких" 7x (2L, 2L-T(Е), 3L, 1KZ-T(E) и 22R(Е))
-
Сейчас на странице 0 пользователей
Нет пользователей, просматривающих эту страницу.
